| Status ketersediaan: | |
|---|---|
| Kuantitas: | |
Rentang kinerja
Laju aliran: Q=3.75m³/h~500m3/h, head: H=54m~680m, suhu media pembawa: pompa tipe DG≦130 C, tekanan masuk yang diijinkan P0≦1.0Mpa (pengguna harus menunjukkan nilai tekanan masuk saat memesan )
Media penyampaian
Media pengangkut pompa adalah air jernih (dengan pengotor kurang dari 1%, ukuran partikel kurang dari 0,1 mm)
Fitur struktural
Rangkaian pompa ini merupakan pompa sentrifugal tersegmentasi multi-tahap hisap tunggal horizontal.Saluran keluar pompa vertikal ke atas, dan saluran masuk air pompa DG vertikal ke atas.Mode transmisi pompa dihubungkan dengan motor melalui kopling elastis.Segel mekanis tidak dibatasi oleh arah putaran.Keseluruhan rotor pompa air ditopang oleh bantalan rol pada kedua ujung poros.Bantalan dilumasi dengan gemuk, dan gaya aksial pompa diseimbangkan dengan pelat keseimbangan.
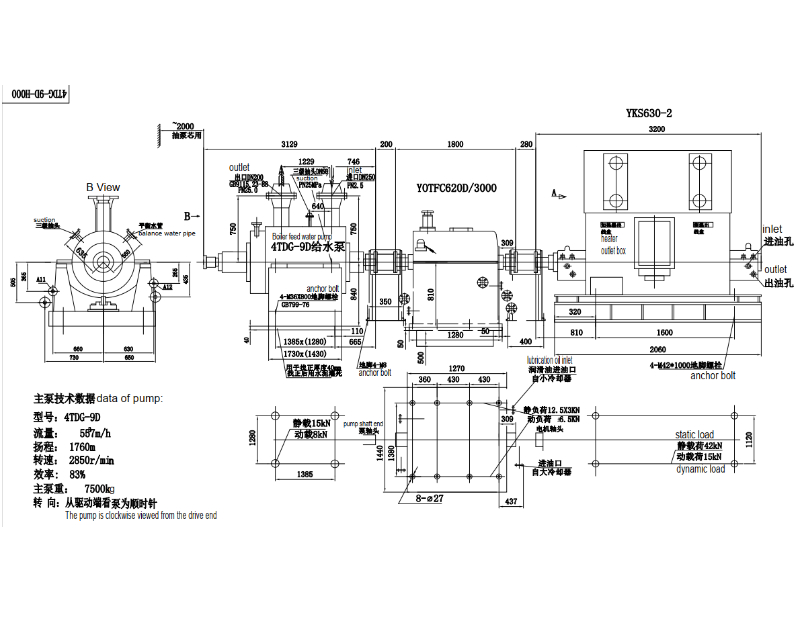
Ambil contoh, ada seorang pengguna yang ingin mengganti pompa air boiler dengan kapasitas 557m³/jam, head 1790m, kecepatan putar 4700r/min.Seluruh rangkaian termasuk pompa, kopling, motor, akan diganti.Ia membutuhkan seseorang yang dapat membantunya melakukan perhitungan dan memberikan pasokan baru namun dengan kendali anggaran.Berdasarkan kebutuhan dan pertanyaannya, kami akhirnya memberinya desain dan metode pengendalian biaya.
Perancang kami menganggap seluruh unit pompa ini adalah proyek pengganti, bukan yang baru.Mereka melakukan perhitungan dan memastikan dimensi akhir benar-benar memenuhi persyaratan ruang lokasi situs.

Gambar dimensi pemasangan dapat memperjelas setiap dimensi dan membantu pengguna dengan mudah memastikan model baru cocok atau tidak untuk ruangan tersebut.
Rentang kinerja
Laju aliran: Q=3.75m³/h~500m3/h, head: H=54m~680m, suhu media pembawa: pompa tipe DG≦130 C, tekanan masuk yang diijinkan P0≦1.0Mpa (pengguna harus menunjukkan nilai tekanan masuk saat memesan )
Media penyampaian
Media pengangkut pompa adalah air jernih (dengan pengotor kurang dari 1%, ukuran partikel kurang dari 0,1 mm)
Fitur struktural
Rangkaian pompa ini merupakan pompa sentrifugal tersegmentasi multi-tahap hisap tunggal horizontal.Saluran keluar pompa vertikal ke atas, dan saluran masuk air pompa DG vertikal ke atas.Mode transmisi pompa dihubungkan dengan motor melalui kopling elastis.Segel mekanis tidak dibatasi oleh arah putaran.Keseluruhan rotor pompa air ditopang oleh bantalan rol pada kedua ujung poros.Bantalan dilumasi dengan gemuk, dan gaya aksial pompa diseimbangkan dengan pelat keseimbangan.
Ambil contoh, ada seorang pengguna yang ingin mengganti pompa air boiler dengan kapasitas 557m³/jam, head 1790m, kecepatan putar 4700r/min.Seluruh rangkaian termasuk pompa, kopling, motor, akan diganti.Ia membutuhkan seseorang yang dapat membantunya melakukan perhitungan dan memberikan pasokan baru namun dengan kendali anggaran.Berdasarkan kebutuhan dan pertanyaannya, kami akhirnya memberinya desain dan metode pengendalian biaya.
Perancang kami menganggap seluruh unit pompa ini adalah proyek pengganti, bukan yang baru.Mereka melakukan perhitungan dan memastikan dimensi akhir benar-benar memenuhi persyaratan ruang lokasi situs.

Gambar dimensi pemasangan dapat memperjelas setiap dimensi dan membantu pengguna dengan mudah memastikan model baru cocok atau tidak untuk ruangan tersebut.
Telepon: +86-532-82661521, 1522
+86 13730919470
Surel: vera_yang@sinopowersd.cn
Ada apa: +86 13730919470