XW, XWD, XL, XL
YUANSHUN
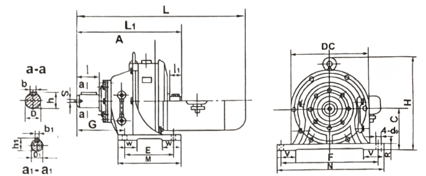
Model XW dan XWD
XW, reduksi tipe XWD
Volume kecil
Karena prinsip transmisi planetary, poros masukan dan poros masukan berada pada poros yang sama, dengan struktur kompak dan volume kecil.


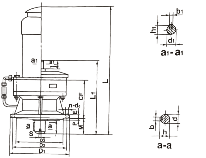
Model XL dan XLD
XL, XL tipe reduksi
Pengoperasian yang lancar dengan kebisingan yang rendah
Gigi jarum sikloidal memiliki sejumlah besar gigi penyambung, koefisien tumpang tindih yang besar, dan mekanisme yang digunakan untuk menghaluskan mesin, sehingga membatasi getaran dan kebisingan hingga tingkat yang sangat rendah.



Model XW dan XWD
XW, reduksi tipe XWD
Volume kecil
Karena prinsip transmisi planetary, poros masukan dan poros masukan berada pada poros yang sama, dengan struktur kompak dan volume kecil.


Model XL dan XLD
XL, XL tipe reduksi
Pengoperasian yang lancar dengan kebisingan yang rendah
Gigi jarum sikloidal memiliki sejumlah besar gigi penyambung, koefisien tumpang tindih yang besar, dan mekanisme yang digunakan untuk menghaluskan mesin, sehingga membatasi getaran dan kebisingan hingga tingkat yang sangat rendah.



Telepon: +86-532-82661521, 1522
+86 13730919470
Surel: vera_yang@sinopowersd.cn
Ada apa: +86 13730919470